Контакты
Новости
Каталоги
 Войти
Сортировать:
Сначала новые
Сначала старые
Цена ↑
Цена ↓
Кол-во ↑
Кол-во ↓
Имя A→Я
Имя Я→A
Серийник ↑
Серийник ↓
48172306
14 121 ₽
48172403 - Актуатор
191 377 ₽
48172413 - Фильтр салонный
2 511 ₽
48172517 - ДВС
4 187 016 ₽
48172762 - фара
880 ₽
48172909 - контроллер
148 414 ₽
AGCOACP0357600
1 010 ₽
AGCOF004200210760 -
1 010 ₽
AGCOF842201090040 -
1 010 ₽
AGCOF842201190040 -
1 010 ₽
AGCOF934201090100 -
1 010 ₽
AGCOF934201100120 -
1 010 ₽
481730 - Брус
29 ₽
AGCO117108350340 -
1 011 ₽
47782721 - Стопорный штифт
823 ₽
48173059 - трубка
14 659 ₽
48174071 - Жгут медных проводов
14 016 ₽
4817424 - Тарелка нижн. пружины клапана ГБЦ ДВС TD5.110/JX110
11 ₽
48174254 - поручень
6 073 ₽
48174259 - шланг
15 563 ₽
48174260 - шланг
16 576 ₽
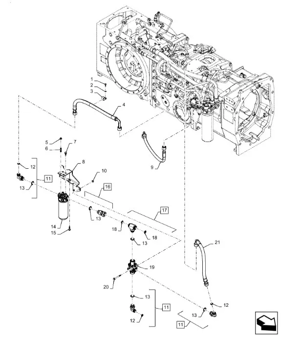
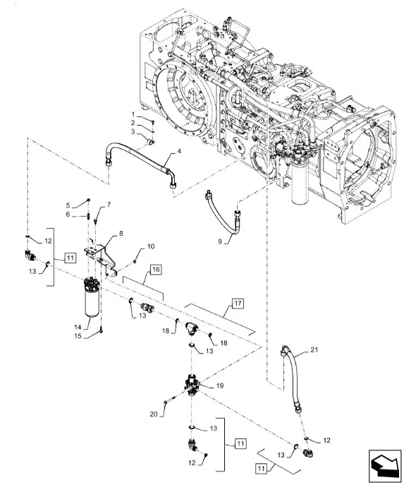
48174261 - Шланг гидравл. смазки КПП T8./Mg.
43 723 ₽
48174262 - Шланг гидравл. смазки КПП T8./Mg.
24 487 ₽
48174263 - Шланг гидравл. смазки КПП T8./Mg.
14 696 ₽
«
<
1
...
33949
33950
33951
33952
33953
...
34117
>
»
Страница:
Перейти